Dodatočná montáž hmloviek?
-
Olda Kovář
- Příspěvky: 3
- Registrován: 01 kvě 2018, 13:55
Re: Dodatočná montáž hmloviek?
Ahoj, koupil jsem Astru H 2008, ale nejdou mi přední mlhovky. Žárovky jsem kontroloval, pojistku také, mám podezření na nefunkční relé. Pročítal jsem zde příspěvky a prohlížel pojistkové skřínky a mám nějakou jinou.
Kde tam může být to relátko. Nebo musím (Funkci mlhovek je nutné naprogramovat diagnostikou Opel.) jak končí jeden z příspěvků.
Kde tam může být to relátko. Nebo musím (Funkci mlhovek je nutné naprogramovat diagnostikou Opel.) jak končí jeden z příspěvků.
- Reklama
Re: Dodatočná montáž hmloviek?
Popis rozmístnění pojistek a relé, ve spodní části je pak nákres zadního panelu relé a pojistek bez REC (REC - zadní elektronický modul)
https://translate.google.cz/translate?h ... rev=search
Případně nechat zkontrolovat naprogramování diagnostikou TECH2 nebo OP-COM.
https://translate.google.cz/translate?h ... rev=search
Případně nechat zkontrolovat naprogramování diagnostikou TECH2 nebo OP-COM.
Astra H Z16XEP HB 10/2006 / Astra F X16SZ HB 5/1993
-
Olda Kovář
- Příspěvky: 3
- Registrován: 01 kvě 2018, 13:55
Re: Dodatočná montáž hmloviek?
Při pohledu na obrázek vlevo vzadu, je přímo u panelu modrá patice pojistky F51 a vedle černé relé K39 (pojistka a relé pro přední mlhové světlomety)Olda Kovář píše:Moje zadní pojistková skřínka vypadá takto:
Před pojistkou F51 je pak ještě také modrá patice pojistky F52 - zadní konektor příslušenství/zapalovač (blíže k sobě).
Astra H Z16XEP HB 10/2006 / Astra F X16SZ HB 5/1993
-
Olda Kovář
- Příspěvky: 3
- Registrován: 01 kvě 2018, 13:55
Re: Dodatočná montáž hmloviek?
Děkuji, koupím nové relé, je na něm napsáno PBT-GT30 a uvidím co se bude dít.
-
tomasnovack
- Příspěvky: 4
- Registrován: 31 led 2019, 15:38
Re: Dodatočná montáž hmloviek?
Zdravím všechny mám problém s dodelanim mlhovek jedná se o Opel Astra H 2008 combi bez rec.
Spínač je vyměněný kabel že spínače PIN 8 šedomodrá do budíků PIN 28
Z budíků hnědobílý PIN 13 do kufru na relé, plus přivedeno na relé a sepnuty kontakt na patice žárovek, přes diag nakodovano kontrolka mlhovek svítí ale mlhovky ne z budíků na relé nejde žádný signál minus nic už nevím co stim poradi někdo prosím??? Když sem přivedl z kostry v kufru na kontakt relé kde má být minus z budíků relé normálně sepne a mlhovky svítí, předem díky za každou radu!
Spínač je vyměněný kabel že spínače PIN 8 šedomodrá do budíků PIN 28
Z budíků hnědobílý PIN 13 do kufru na relé, plus přivedeno na relé a sepnuty kontakt na patice žárovek, přes diag nakodovano kontrolka mlhovek svítí ale mlhovky ne z budíků na relé nejde žádný signál minus nic už nevím co stim poradi někdo prosím??? Když sem přivedl z kostry v kufru na kontakt relé kde má být minus z budíků relé normálně sepne a mlhovky svítí, předem díky za každou radu!
Re: Dodatočná montáž hmloviek?
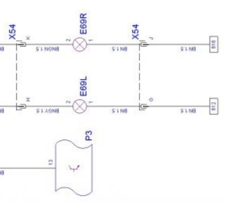
Zapojení předních mlhovek bez zadního REC.
Od spínače předních mlhovek vodič z Pin8 do přístrojů P3 na Pin28
Ukostření (- pól) od spínače mlhovky vodič z Pin11 do přístrojů P3 na Pin36 hnědo žlutý vodič
Signál k sepnutí z přístrojů P3 vodič z Pin13 na svorku č.85 cívka relé
Napájení z pojistky F51 15A +pól 12V na svorku č.86 cívka relé
Paraelní napájení z pojistky F51 15A +pól 12V na svorku č.30 spínací kontakt relé
Přívod od svorky č.87 ze spínaného kontaktu relé na mlhové světlomety
Od spínače předních mlhovek vodič z Pin8 do přístrojů P3 na Pin28
Ukostření (- pól) od spínače mlhovky vodič z Pin11 do přístrojů P3 na Pin36 hnědo žlutý vodič
Signál k sepnutí z přístrojů P3 vodič z Pin13 na svorku č.85 cívka relé
Napájení z pojistky F51 15A +pól 12V na svorku č.86 cívka relé
Paraelní napájení z pojistky F51 15A +pól 12V na svorku č.30 spínací kontakt relé
Přívod od svorky č.87 ze spínaného kontaktu relé na mlhové světlomety
Astra H Z16XEP HB 10/2006 / Astra F X16SZ HB 5/1993
- vasekpetr1
- Příspěvky: 228
- Registrován: 06 srp 2016, 15:05
- Bydliště: Hospoda (Červená) u Třebíče
Re: Dodatočná montáž hmloviek?
Já teda mám na autě REC, ale vzpomínám si, že jsem toho v diagnostice musel povolit víc, než jen kontrolky v přístrojovce. Mlhovky mají samostatnou kolonku v REC, nemáš něco takového i jinde? Nebude chyba zde? Stan. třeba napoví... 
Zafira B black line, Z19DT, 2008, WIN: W0L0AHM759G0031xx, 185 tkm
...a bydlím v Hospodě (Červené )...
...a bydlím v Hospodě (Červené )...
-
tomasnovack
- Příspěvky: 4
- Registrován: 31 led 2019, 15:38
Re: Dodatočná montáž hmloviek?
Tak kabel ze spínače PIN 8 šedomodrá do budíků PIN 28 další kabel ze spínače pin11 do budíků pin36 taky
Z budíků hnědobílý PIN 13 do kufru na relé .....kontrolka svítí mlhovky ne prostě z budíků mi dozadu na relé pořád nejde minus signál na uzavření obvodu cívky relé, přes diag zapnuto v budikach a ještě v uec přední elektrické centrum pod kapotou nevím kde ještě zapnout
Z budíků hnědobílý PIN 13 do kufru na relé .....kontrolka svítí mlhovky ne prostě z budíků mi dozadu na relé pořád nejde minus signál na uzavření obvodu cívky relé, přes diag zapnuto v budikach a ještě v uec přední elektrické centrum pod kapotou nevím kde ještě zapnout
-
tomasnovack
- Příspěvky: 4
- Registrován: 31 led 2019, 15:38
Re: Dodatočná montáž hmloviek?
I podle schéma co jsem našel to je zapojeno a ale proste to nejde 