nefunkční el. stahování okna vzadu za řidičem
Re: nefunkční el. stahování okna vzadu za řidičem
diky moc za rady,zkusil jsem to uzemnit na tom spinaci a dioda zacala po zmacknuti svitit,takt se kouknu jeste na ten konektor motoru.
ASTRA 1.6 16V Twinport
- Reklama
Re: nefunkční el. stahování okna vzadu za řidičem
tak nakonec to byly přetrhaný kabely v housence mezi dveřma a karoserií.
ASTRA 1.6 16V Twinport
Re: nefunkční el. stahování okna vzadu za řidičem
Ahoj
mám podobný problém s oknem vzadu za řidičem, jen s tím rozdílem, že mi funguje otvírání od řidiče, nefunguje jen otvírání přímo na zadních dveřích.
Může být odpadlý drát někde přímo na tlačítku ...
Jak bych se k němu dostal?
Děkuju
mám podobný problém s oknem vzadu za řidičem, jen s tím rozdílem, že mi funguje otvírání od řidiče, nefunguje jen otvírání přímo na zadních dveřích.
Může být odpadlý drát někde přímo na tlačítku ...
Jak bych se k němu dostal?
Děkuju
Opel Zafira B, 1.8, A18XEL - 88kW, Royal Blue, r.v. 2014
-
Dusan_zafira
- Příspěvky: 107
- Registrován: 25 úno 2014, 21:36
Re: nefunkční el. stahování okna vzadu za řidičem
Jen pro jistotu: nemáš vypnuté ovládání zadními tlačítky?
Pokud není problém v tom, , ovladač v zadních dveřích vyloupneš zapáčením myslím z té zadní strany a s ním si vytáhneš i kablík.
Pokud není problém v tom, , ovladač v zadních dveřích vyloupneš zapáčením myslím z té zadní strany a s ním si vytáhneš i kablík.
Opel Zafira 1.8 - 88kW Royal Blue"Borůvka"
Re: nefunkční el. stahování okna vzadu za řidičem
Nene, to nemám, druhá zadní strana funguje správně.
Takže se páčí přímo jen ten vypínač? Ony jsou různě plasty okolo, tak jsem nevěděl, jestli třeba ne ty. Zkusím večer, díky.
Takže se páčí přímo jen ten vypínač? Ony jsou různě plasty okolo, tak jsem nevěděl, jestli třeba ne ty. Zkusím večer, díky.
Opel Zafira B, 1.8, A18XEL - 88kW, Royal Blue, r.v. 2014
Re: nefunkční el. stahování okna vzadu za řidičem
Tak ve spínači to není, prohodil jsem vypínače z levé a pravé zadní strany. Levá nejde furt, pravá ano.
Takže to bude někde dál po kabelu. Takže tapicírunk dolů?
Nevítě někdo, co který drát toho spínače je zač?
Takže to bude někde dál po kabelu. Takže tapicírunk dolů?
Nevítě někdo, co který drát toho spínače je zač?
Opel Zafira B, 1.8, A18XEL - 88kW, Royal Blue, r.v. 2014
-
Dusan_zafira
- Příspěvky: 107
- Registrován: 25 úno 2014, 21:36
Re: nefunkční el. stahování okna vzadu za řidičem
Nevítě někdo, co který drát toho spínače je zač?
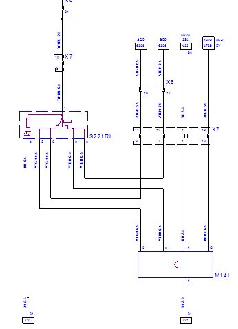
pokusim se prilozit schema, oblouvam se za kvalitu.
muj rozbor: (elektrikáři prosím nekamenovat)
-elektrika pro stahovani okenka Ti prichazi od predního spínace prez konektor X7 piny7,8
prochazi dvema dvojicemi pinů (2,3-5,6)v spinaci a jde do motorku (obdelnik dole) pin2,3
-pokud proud nepřichází zepředu, sepneš si ho z privedených +12 které přichází do spínače pinem1
modrobílý kabel
TJ pokud zadní stahovačka funguje od předního spínače ale od zadního ne, bude problém v spínaných +12V na pinu1 spínače.
Ješte - zadní spouštěče mají vlastní pojistku, (přední taky svoji) ale ta je myslím společná pro P+L dveře
Můj osobní tip jsou vodiče karoserie-dveře (harmonika)
Prosím napiš co zjistíš
pokusim se prilozit schema, oblouvam se za kvalitu.
muj rozbor: (elektrikáři prosím nekamenovat)
-elektrika pro stahovani okenka Ti prichazi od predního spínace prez konektor X7 piny7,8
prochazi dvema dvojicemi pinů (2,3-5,6)v spinaci a jde do motorku (obdelnik dole) pin2,3
-pokud proud nepřichází zepředu, sepneš si ho z privedených +12 které přichází do spínače pinem1
modrobílý kabel
TJ pokud zadní stahovačka funguje od předního spínače ale od zadního ne, bude problém v spínaných +12V na pinu1 spínače.
Ješte - zadní spouštěče mají vlastní pojistku, (přední taky svoji) ale ta je myslím společná pro P+L dveře
Můj osobní tip jsou vodiče karoserie-dveře (harmonika)
Prosím napiš co zjistíš
Naposledy upravil(a) Dusan_zafira dne 10 srp 2017, 22:05, celkem upraveno 1 x.
Opel Zafira 1.8 - 88kW Royal Blue"Borůvka"
-
Dusan_zafira
- Příspěvky: 107
- Registrován: 25 úno 2014, 21:36
Re: nefunkční el. stahování okna vzadu za řidičem
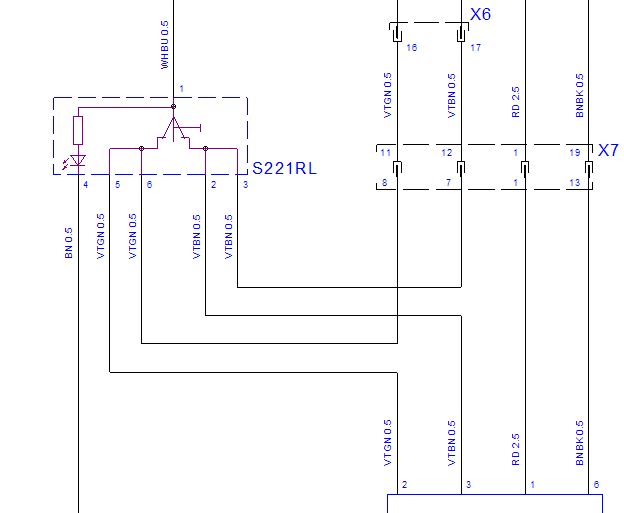
ještě značení pinů v konektoru spínače
sundání tapacírů jsem popisoval v tematu
https://www.opel-astra-h.cz/forum/viewt ... =14&t=6500
sundání tapacírů jsem popisoval v tematu
https://www.opel-astra-h.cz/forum/viewt ... =14&t=6500
Opel Zafira 1.8 - 88kW Royal Blue"Borůvka"
Re: nefunkční el. stahování okna vzadu za řidičem
Díky díky díky moc Dušane za vyčerpávající infomace. Je to super. Hlavně schémata. Hned je více věcí jasných.
Vypadá to na závadu v tom husím krku mezi dveřmi. Když jsem s tím kvrdlal, tak to parkrát rozsvítilo diodu ve spínači. Ale nepodařilo se mi to dostat do situace, že by vydržela svítit. Jak jsem svazek pustil, tak zase zhasla. Teď už ten stav nenavodím, asi je to tam definitivně někde ukroucený.
Ještě zkusím voltmetrem zjistit, kterej drát to bude, ale dle schématu asi opravdu ta jednička.
EDIT:
TAK HOTOVO - byl to fakt přetržený drát v husím krku.
Proměřil jsem voltmetrem konektor dveřního spínače a pin 1 skutečně neměl 12V. Je to modrobílý vodič. Takže jsem vycvaknul kulatý konektor dole ve dveřích (husí krk), rozebral ho našel pin s modrobílým vodičem a ani tam nebylo 12V. Takže jasný, že závada není uvnitř dveří, ale v krku popr. dál v prahu. A tak jsem za ten modrobílej vodič trošku víc zatáhnul a on vyjel z husího krku ven. Byl komplet přetrženej.
Nechápu to, je to chráněný, ve svazku ... a drát stejně vejpůl.
Takže jsem ho nastavil kusem jinýho drátku, spájel, zaizoloval smršťovačkou a hotovo. Vše funguje jak má.
Dušane
, díky.
Vypadá to na závadu v tom husím krku mezi dveřmi. Když jsem s tím kvrdlal, tak to parkrát rozsvítilo diodu ve spínači. Ale nepodařilo se mi to dostat do situace, že by vydržela svítit. Jak jsem svazek pustil, tak zase zhasla. Teď už ten stav nenavodím, asi je to tam definitivně někde ukroucený.
Ještě zkusím voltmetrem zjistit, kterej drát to bude, ale dle schématu asi opravdu ta jednička.
EDIT:
TAK HOTOVO - byl to fakt přetržený drát v husím krku.
Proměřil jsem voltmetrem konektor dveřního spínače a pin 1 skutečně neměl 12V. Je to modrobílý vodič. Takže jsem vycvaknul kulatý konektor dole ve dveřích (husí krk), rozebral ho našel pin s modrobílým vodičem a ani tam nebylo 12V. Takže jasný, že závada není uvnitř dveří, ale v krku popr. dál v prahu. A tak jsem za ten modrobílej vodič trošku víc zatáhnul a on vyjel z husího krku ven. Byl komplet přetrženej.
Nechápu to, je to chráněný, ve svazku ... a drát stejně vejpůl.
Takže jsem ho nastavil kusem jinýho drátku, spájel, zaizoloval smršťovačkou a hotovo. Vše funguje jak má.
Dušane
Opel Zafira B, 1.8, A18XEL - 88kW, Royal Blue, r.v. 2014
-
Dusan_zafira
- Příspěvky: 107
- Registrován: 25 úno 2014, 21:36
Re: nefunkční el. stahování okna vzadu za řidičem
Jsem rád že jsem ti mohl pomoct.
Přeji víc radostí než starostí.
zároveň nejsem rád že se vada která se objevovala po 5 letech (vodiče v husím krku) objevila už teď, po 3 letech.
Auta máme prakticky stejně staré... tak teď kdy se to objeví u mne.
je vidět že na výběhové serii se šetřilo kde to šlo.
Např. na zadních blatnících není vnitřní tlumící materiál- jak to vypadá viz mironto http://img.mironto.sk/image.php?di=GJHL
Je možné že někde vynechali upevnění kabelu a ten se nynívíc ohýbá....
Přeji víc radostí než starostí.
zároveň nejsem rád že se vada která se objevovala po 5 letech (vodiče v husím krku) objevila už teď, po 3 letech.
Auta máme prakticky stejně staré... tak teď kdy se to objeví u mne.
je vidět že na výběhové serii se šetřilo kde to šlo.
Např. na zadních blatnících není vnitřní tlumící materiál- jak to vypadá viz mironto http://img.mironto.sk/image.php?di=GJHL
Je možné že někde vynechali upevnění kabelu a ten se nynívíc ohýbá....
Opel Zafira 1.8 - 88kW Royal Blue"Borůvka"