Stránka 5 z 10
Re: Dodatočná montáž hmloviek?
Napsal: 28 lis 2017, 18:21
od Stan.
vasekpetr1
Máš vzadu REC, nebo pouze pojistkový panel? Jinak oba vodiče černý i hnědý mají stejný průřez 1,5mm.
Pokud máš REC, tak si vyzkoušej zda je propojená pojistka FE13 s relé K16 (na pozici K4 malé černé relé).
Při zapojené pojistce zkus propojit zkoušečkou na patici relé kontakt 30 a kostra a pak kontakt 86 a kostra.
Zkoušečka by se měla rozsvítit, případně multimetr ukázat napětí baterie. XE1 je při pohledu blíže k motoru.
Na obrázku vyndaného panelu je pak zrcadlovitě blíže XE1 k blatníku. Typ fastonů (kontaktů) nevím.
Nezaměnit dosazené relé a pojistku, u vozidel bez REC plní pojistka FE13 a relé na pozici K4 funkci vnitřního osvětlení.
Popis pojistek a relé s REC i bez REC
https://translate.google.cz/translate?h ... rev=search
Mlhové světlomety maji bez zadního REC jiné zapojení, které nejde přes přední UEC.
Re: Dodatočná montáž hmloviek?
Napsal: 28 lis 2017, 18:43
od vasekpetr1
Stan. píše:
Máš vzadu REC, nebo pouze pojistkový panel?
Mám vzadu REC
Stan. píše: vyzkoušej zda je propojená pojistka FE13 s relé K16
F13 je propojena, na kontaktu 30 je napětí. Potenciál 86 jsem neměřil, ale zřejmě bude i tam. (záležitost jedné klemy)
Re: Dodatočná montáž hmloviek?
Napsal: 28 lis 2017, 18:58
od Stan.
OK, na kontaktu relé č.85 nenaměříš nic, ani kostru. Je to -pól který spíná obvod cívky relé až signál z ŘJ UEC.
Kontakt č.87 přívod na žárovky sepne až po sepnutí kontaktu cívky relé.
Re: Dodatočná montáž hmloviek?
Napsal: 28 lis 2017, 19:16
od vasekpetr1
Dík, tohleto je mi vcelku jasné, v elektrotechnice se vcelku vyznám. Mně šlo spíš o tu montážní stránku věci ohledně té pojistkové skříňky, jestli tam není nějaký zádrhel, co čekat při osazování nových fastonů a jestli ta chybějící pozice kontaktů na konektoru XE1 (na obrázku blíže k baterce) patří zrovna kontaktům pro mlhovky?
Na odzkoušení funkce relé přemýšlím, že bych se napíchl u přepínače světel špendlíkem do šedomodrého (přední mlhy) a klemou propojil s hnědo-černým (zadní mlhy), tím bych zapnutím tlačítka měl nahodit i relé K16.
Re: Dodatočná montáž hmloviek?
Napsal: 28 lis 2017, 19:33
od Stan.
Funkci relé můžeš vyzkoušet jednodušeji, na kontakt č.85 přiveď - pól kostru. Dříve ale zkontroluj kontakt č.86 zda je tam plus, aby nebyly prohozené kontakty kvůli zkratu.
Re: Dodatočná montáž hmloviek?
Napsal: 28 lis 2017, 19:48
od vasekpetr1
I tak se dá
Díky.
I když, jak koukám do schémat ovládání osvětlení v knize "Jak na to" tak ta "kostra" pro tlačítka jde z přístrojovky P3 na hnědo-žlutém vodiči (pin 11). Je to čistá kostra nebo jde přes "něco" v té přístrojovce? Protože čistá kostra je hnědá, tady je hnědo-žlutá.
Re: Dodatočná montáž hmloviek?
Napsal: 28 lis 2017, 20:03
od Stan.
Hnědožlutý vodič uzemnění jde do P3 přístrojů a mezi dalšíma ŘJ to jde již přes sběrnici LS CAN. Kombinace barev jsou většinou ovládací vodiče.
Re: Dodatočná montáž hmloviek?
Napsal: 28 lis 2017, 23:41
od mironto
vasekpetr1 píše:Už se smiřuji s variantou, že budu muset tahat nová lana z UEC - XE1 piny 48,49. Z toho obrázku rozebrané přední pojistkové skříňky chápu, že se dá dostat k tomu konektoru XE1, který je zasazen do tělesa pojistkovky. Ten je pak možné vytáhnout a dostat se ke kabeláži (jako je povytažená XE3) a případně osadit kabel s fastonem pro konektor? Obávám se, že místo díry pro spodní faston bude zalepená díra, tak jako na XE1 na obrázku (to jsou také nezapojené mlhovky?

)
Nehrozí tam nějaký zádrhel? Ve schématu je psané černé lanko 0,75 (kostra 1,5 hnědá), netušíš, jaké jsou tam ty fastony?
Dík za nějakou odpověď.
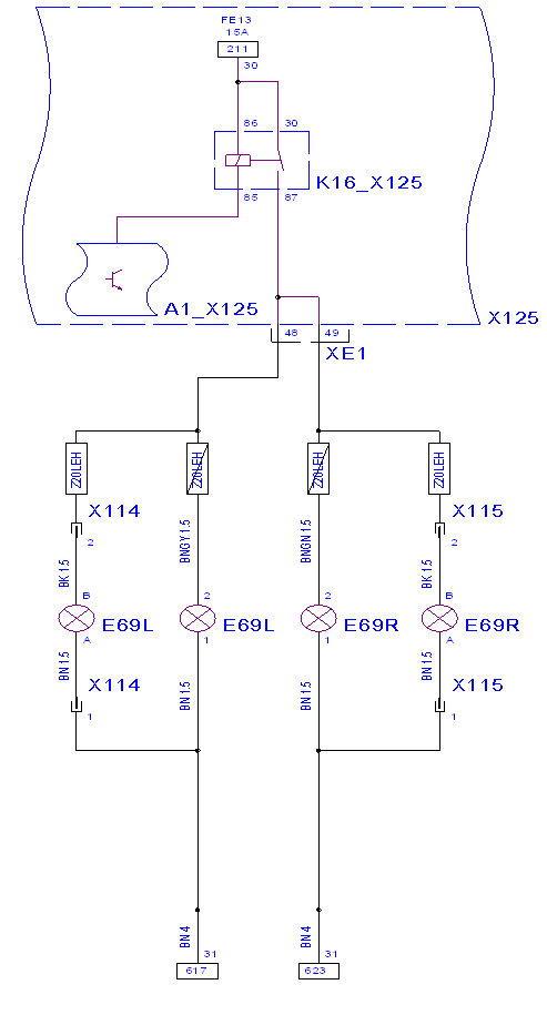
Ano, kable 1.5mm tahas z XE1 [48,49], hnedosivy na lavu hmlovku a hnedozeleny na pravu. Kostra je hnedy 1.5mm. Schema pre Astru:

- hmlovky1.PNG (11.51 KiB) Zobrazeno 2220 x
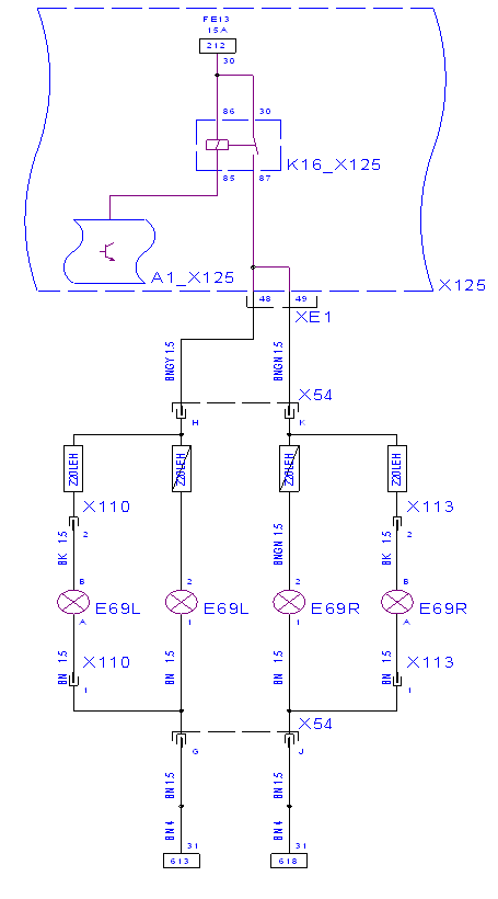
edit: aha, teraz pozeram, ze ty mas Zafiru. Tam by si mal ist este po spravnosti cez konektor X54.

- hmlovky2.PNG (10.57 KiB) Zobrazeno 2220 x
V XE1 jedna budu volne dutinky, nebude to urcite zaslepene. Budu tam ale strcene silikonove zatky, aby sa tam nedostala voda. Ale fastony tam nejdu, je to podla velkosti dutinky tusim 5ka:
Re: Dodatočná montáž hmloviek?
Napsal: 29 lis 2017, 00:03
od mironto
A tu je este pozicia 48,49 na XE1 (48 je vyznacena cerveno, 49 je pod nim).
A takto vyzeraju tie piny 48 a 49. Mal by si tam mat aj tie silikonove prechodove zatky, inac ti moze do UEC natiect odspodu voda:

Re: Dodatočná montáž hmloviek?
Napsal: 29 lis 2017, 07:34
od vasekpetr1
Díky mironto, toto mi také hodně pomůže

.
Zkusím se u nás poptat po těch dutinkách u autoelektrikáře.
edit:Kluci, zkuste se mně v TISu podívat, kde přesně má být ten konektor X54 umístěn. Dík.
A trefil jsem se na tom obrázku s vyznačením dutinek pro mlhy?