Stránka 2 z 2
Re: CD30MP3 AUX
Napsal: 28 črc 2018, 10:38
od pajak7
Ahoj Petře relé je spínané tlačítkovým spínačem který je pod pantem popelníku takže když se otevře popelník kde je modul MP3 tak pant najede na tlačítko který zmáčkne a pustí napětí do přepínacího relé které odpojí Jack a připojí modul.
Re: CD30MP3 AUX
Napsal: 28 črc 2018, 10:47
od vasekpetr1
Voni sou hlava pane vachmajstr, to já budu pořád jenom závodčí

.
Hezky vymyšleno

.
Re: CD30MP3 AUX
Napsal: 30 črc 2018, 11:45
od mironto
vasekpetr1 píše:Chlapci, mám dotaz: měl jsem vytažené své CD30 MP3 (chtěl jsem se podívat, zda podporuje AUX vstup) a zjistil jsem, že na konektoru pro vstupní kanály je připojen kabel s lanky červeno-fialový a bílo-fialový pro levý a pravý kanál plus černá kostra.
Bacha, to je fialovo-cerveny a fialovo-biely kabel
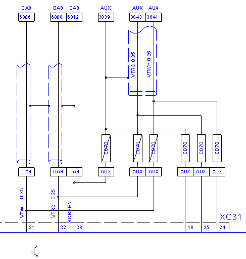
Pri CD70/DVD90 sa pre aux pouzivaju samostatne draty z pozicii 18,24,25. Pri ostatnych radiach je AUX spolocne s DAB (Digital Audio Broadcast). Teda vlastne okrem Touch & Connect, ten ma AUX na uplne inych pinoch a nema DAB.

- radio.png (6.76 KiB) Zobrazeno 12552 x
Ak nemas konektor v okoli rucnej, tak by draty mali koncit na konektore DAB (A94) pozicie 1,2,10,11 (tienenie je na 2 aj 11)
Re: CD30MP3 AUX
Napsal: 30 črc 2018, 13:21
od vasekpetr1
Miro, ten konektor A94 má být někde v sloupku řízení pod volantem? k čemu to DAB vlastně je?
Re: CD30MP3 AUX
Napsal: 30 črc 2018, 15:01
od Stan.
vasekpetr1 píše:Miro, ten konektor A94 má být někde v sloupku řízení pod volantem? k čemu to DAB vlastně je?
Petře A94 (DAB - Digital Audio Broadcast) Řídící jednotka digitální audiovysílání a konektor je podle obrázku pod přístrojovou deskou, přibližně nad spojkou.
Re: CD30MP3 AUX
Napsal: 30 črc 2018, 15:08
od mironto
Ja som to mal ten obrazok nejako blbo otoceny, teraz to uz je ok. Ten konektor, ak je pritomny by mal byt niekde za tou hrdzavou trubkou cca. v ose nad pedalom spojky (na obrazku je konektor pre DAB A94 a pod nim je konektor pre spinac spojky). DAB je digitalny radiovy prijem, cize ziadne LW/MW/FM. U nas a v CR tusim este nie su ziadne terminy na vypinanie analogoveho vysielania, napr. v Norsku uz ale od 2017 bezi len DAB.
Re: CD30MP3 AUX
Napsal: 31 črc 2018, 19:02
od vasekpetr1
Zkusil jsem sundat spodní kryt u nohou, koukal do prostoru sloupku a daný konektor tam nikde nevidím. Až bude klid, zkusím ještě sundat kryt sloupku u volantu, jestli nebude někde u spínačky.
Re: CD30MP3 AUX
Napsal: 31 črc 2018, 19:24
od mironto
Ak je tam, tak bude prichyteny paskou ku zvazku.
Re: CD30MP3 AUX
Napsal: 01 srp 2018, 07:22
od Stan.
vasekpetr1 píše:Zkusil jsem sundat spodní kryt u nohou, koukal do prostoru sloupku a daný konektor tam nikde nevidím. Až bude klid, zkusím ještě sundat kryt sloupku u volantu, jestli nebude někde u spínačky.
Petře některá svorkovnice tam určitě bude, buď DAB pod přístrojovkou nebo AUX někde u tunelu. Jsou na stejné větvi, viz schéma od Mironta a z radia máš vodiče originál vyvedeny.